Fuite hydraulique reniflard
-
Bombinette 07
- Nouveau Fiatagrinaute

- Messages : 14
- Enregistré le : 11 nov. 2025 19:25
Fuite hydraulique reniflard
J'ai un soucis avec mon tracteur. J'ai deux remorques, une 2 tonnes avec laquelle aucun soucis et une 4 tonnes, avec laquelle je rencontre un problème. Lorsque je la benne (hydrauliquement) aucun soucis, mais a la redescente j'ai du liquide hydraulique qui sort par le reniflard. Qui peut m'aider ?
Cordialement
Cordialement
Re: Fuite hydraulique reniflard
Salut
Quelle reniflard coter tracteur ou sur le vérin hydraulique ?
Si c est sur le vérin hydraulique sûrement les joints du piston de vérin qu sont hs
Quelle reniflard coter tracteur ou sur le vérin hydraulique ?
Si c est sur le vérin hydraulique sûrement les joints du piston de vérin qu sont hs
-
Bombinette 07
- Nouveau Fiatagrinaute

- Messages : 14
- Enregistré le : 11 nov. 2025 19:25
Re: Fuite hydraulique reniflard
Bonsoir, côté tracteur, proche des prises hydraulique
-
Bombinette 07
- Nouveau Fiatagrinaute

- Messages : 14
- Enregistré le : 11 nov. 2025 19:25
Re: Fuite hydraulique reniflard
Salut
T on niveau est bon ? Tout les vérins plier à font relvage en bas il n y a pas trop d huile dans le bloc ?
C est quoi comme tracteur ? Il a pas de chargeur ?
T on niveau est bon ? Tout les vérins plier à font relvage en bas il n y a pas trop d huile dans le bloc ?
C est quoi comme tracteur ? Il a pas de chargeur ?
En ligne
-
jean claude 2320
- Fiatagrinaute de Paladium

- Messages : 3471
- Enregistré le : 15 avr. 2017 01:00
- Localisation : Béarn, Vic-Bilh
- x 297
- x 211
Re: Fuite hydraulique reniflard
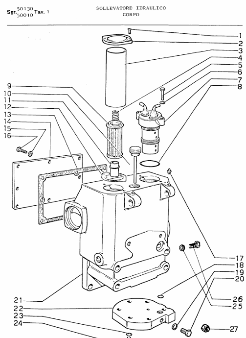
Bonjour, çà doit être le même relevage comme sur les Someca 366 et 466 (Agrifull) relevage MITA :
En ligne
-
jean claude 2320
- Fiatagrinaute de Paladium

- Messages : 3471
- Enregistré le : 15 avr. 2017 01:00
- Localisation : Béarn, Vic-Bilh
- x 297
- x 211
Re: Fuite hydraulique reniflard
Regarder l'état du filtre hydraulique: bien le nettoyer au fuel , souffler (ou changer)
-
jj
- Fiatagrinaute de Paladium

- Messages : 10152
- Enregistré le : 04 sept. 2012 01:00
- Localisation : PLABENNEC
- x 227
Re: Fuite hydraulique reniflard
il s'agit d'un relevage "SAFER"monté sur beaucoup de LAMBORGHINI
-
Bombinette 07
- Nouveau Fiatagrinaute

- Messages : 14
- Enregistré le : 11 nov. 2025 19:25
Re: Fuite hydraulique reniflard
Bonjour,
C'est un Fiat 474e, en effet c'est bien le relevage en pj.
Le niveau est bon.
Le diamètre du flexible allant a la remorque peut il etre en cause ( diamètre ?)
C'est un Fiat 474e, en effet c'est bien le relevage en pj.
Le niveau est bon.
Le diamètre du flexible allant a la remorque peut il etre en cause ( diamètre ?)
En ligne
-
jean claude 2320
- Fiatagrinaute de Paladium

- Messages : 3471
- Enregistré le : 15 avr. 2017 01:00
- Localisation : Béarn, Vic-Bilh
- x 297
- x 211
Re: Fuite hydraulique reniflard
Oui, si le retour d'huile est important, le carter n'a pas le temps de se vider.
D'autre part les 2 leviers fonctionnent bien?
Il ressemble à celui-là:
D'autre part les 2 leviers fonctionnent bien?
Il ressemble à celui-là:
