Bonsoir, le commercial en huiles m'a bien confirmé aujourd'hui de mettre de la GL4 plutôt que de la GL5 dans  le pont, bv... des anciens tracteurs à cause du bronze.
Quels sont les bagues, axes, pignons, autres... en bronze ou laiton dans le pont, la boîte et les réducteurs du SOM 25 D ?
J'ai vu sur la boîte du SOM 20 D de Stéphane qu'il y en avait.
Merci d'avance de vos réponses pour me faire une idée plus précise, bien sûr.
J'ai remarqué que maintenant était marqué le nom complet des  divers additifs dans ces huiles GL 5 (avant non précisé)et j'ai lu sur divers forum l'effet négatif (corrosif?) sur le bronze et les synchros en laiton (pas ici).
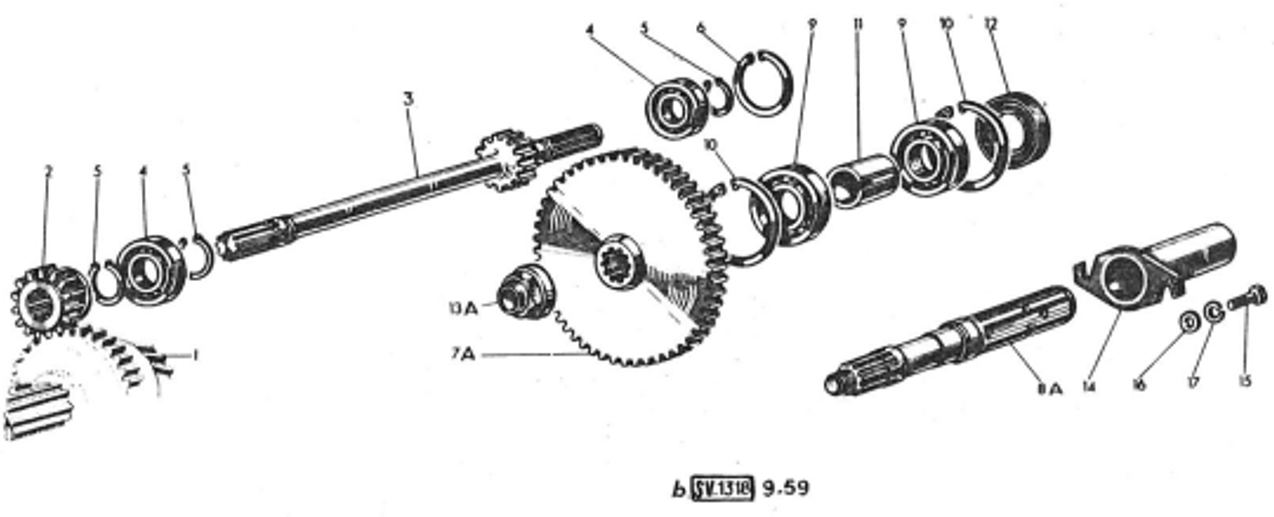
Voici les vues et indiquez  moi les numéros  des pièces en bronze. Merci d'avance.
Confirmez-moi si c'est exact ou s'il  y a autre chose d'après ce que j'ai marqué ci-dessous pour chaque vue:
Bague entretoise 27 ? et bague de pignon Marche Arrière  49 (photos de Stéphane ci-dessous).
Bague entretoise 11 ?
 Les 2 bagues satellites 14 ?
 Bague 3 ? et bague épaulée 4 ?
Bague 49
Bague 49 (idem)
			
			
									
						
										
						HUILE API GL4 ou API GL5 dans ponts,bv, réducteurs anciens tracteurs
- 
				jean claude 2320
- Fiatagrinaute de Paladium 
- Messages : 3337
- Enregistré le : 15 avr. 2017 01:00
- Localisation : Béarn, Vic-Bilh
- x 283
- x 200