Démontage de l embrayage 5711
Démontage de l embrayage 5711
N ayant trouvé pourquoi les vitesses ne passent, je passe l embrayage en revue du zetor 5711. Je vous passe l avant séparation du tracteur pas très intéressant. Je précise que je n ai jamais fait une telle opération sur un tracteur et les remarques sont les bienvenus car je n ai pas un œil averti. 
Vue du disque derrière les guides de doigts d embrayage ( avancement) a des coups de meule j imaginepour les soudures faites, mais avec 2g pour meuler comme ça, et ce sont des guides fait maison non ebavurés et tranchants au bout  à déjà été refait à l économie cet embrayage 
Second disque gras. Alors que celui du fond côté moteur était bien sec 
Verdict,  état moyen, mais je ne comprends pas pourquoi mes vitesses ne passaient pas.  S il était collé il ne pourrait tourner au point mort ?
Si je refais le minimum c est les disques, la butée de pdf n a pas de jeu, celle d avancement un peu.
Le volant moteur je ne sais pas, ni les autres, notamment celui aux coups de meule.
			
							
			
									
						
										
						Si je refais le minimum c est les disques, la butée de pdf n a pas de jeu, celle d avancement un peu.
Le volant moteur je ne sais pas, ni les autres, notamment celui aux coups de meule.
- 
				jj
- Fiatagrinaute de Paladium 
- Messages : 10022
- Enregistré le : 04 sept. 2012 01:00
- Localisation : PLABENNEC
- x 217
Re: Démontage de l embrayage 5711
pour savoir si le volant (et le plateau) est bon tu mets une règle pour jauger 
personnellement je regarnirais le disque d'avancement avec des garnitures je n'aime pas trop les
pastilles céramétalliques et de la garniture
pour le réglage si tu n"as pas les cotes tu mets une règle sur le carter embrayage boite pont (butées reculées ) et tu reportes la vote sur les doigts
je vois pas le frein de boite ?
			
			
									
						
										
						personnellement je regarnirais le disque d'avancement avec des garnitures je n'aime pas trop les
pastilles céramétalliques et de la garniture
pour le réglage si tu n"as pas les cotes tu mets une règle sur le carter embrayage boite pont (butées reculées ) et tu reportes la vote sur les doigts
je vois pas le frein de boite ?
- 
				jean claude 2320
- Fiatagrinaute de Paladium 
- Messages : 3337
- Enregistré le : 15 avr. 2017 01:00
- Localisation : Béarn, Vic-Bilh
- x 283
- x 200
Re: Démontage de l embrayage 5711
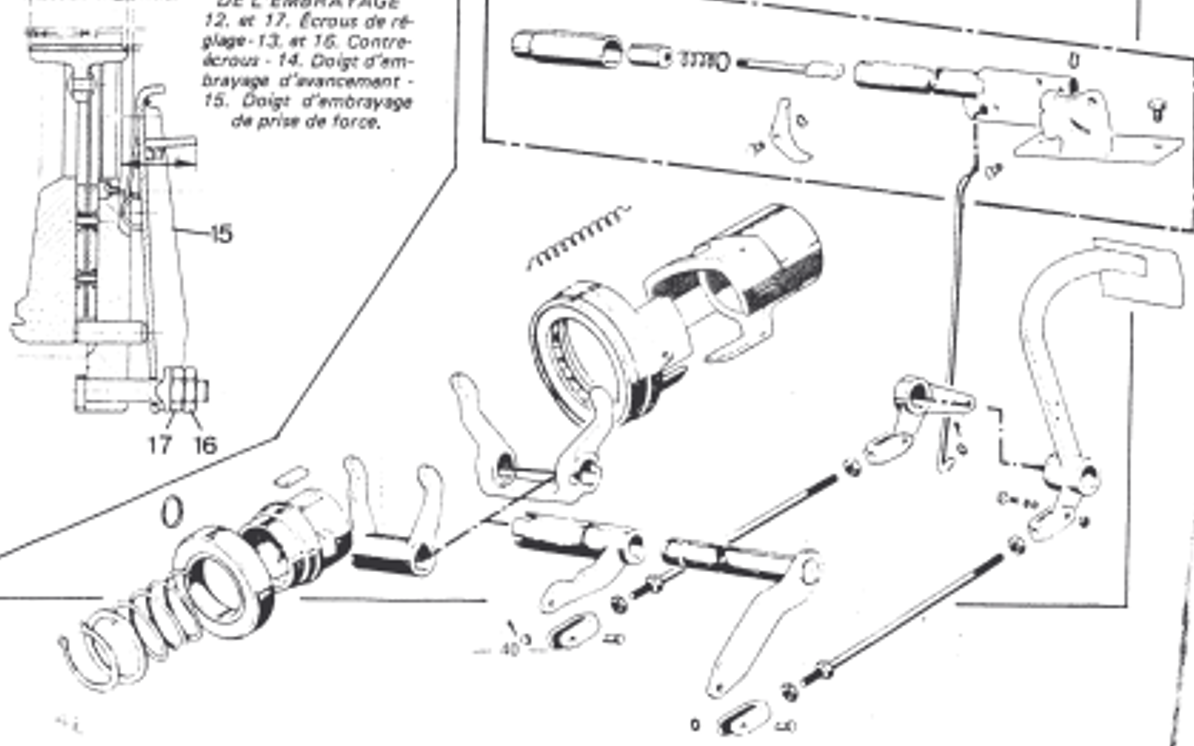
Salut David, en effet "allo maman bobo", voici la revue technique. Si t'arrives pas à lire, je peux te l'agrandir.
			
			
									
						
										
						- 
				jean claude 2320
- Fiatagrinaute de Paladium 
- Messages : 3337
- Enregistré le : 15 avr. 2017 01:00
- Localisation : Béarn, Vic-Bilh
- x 283
- x 200
Re: Démontage de l embrayage 5711
Merci jj et Jean Claude pour les réponses et schémas c est très gentil, en effet ça surprend ce type de disque avec 2 sortes de garnitures ferodo et cerame, je pense prendre un disque neuf standard,  il existe visiblement en version tp, je ne m y connais pas alors
Pour le frein de boîte, le seul frein de transmission que je sache dessus est pris sur l axe des pédales que j ai changé qui traverse la boite dont je doute qu il serve à grand chose, y a t il autre chose ? 
Des crans sont à bien mettre( pièce 22 avec le tube creux a crans 28 ) , je ne sais pas si j avais bien mis, on ne voit rien en le faisant.
Le roulement pilote n est pas bloqué visiblement,  la bague du milieu tourne, mais je pense le changé si j y arrive. Le mécanisme je l envisage même si c est ce qui coûte cher, a cause d un ou 2 doigts légèrement limé on dirait et des 3 guides maisons et de l autre côté les coups de meule..en photo
Pour prendre les côtes,  je vais relire plusieurs fois car je ne pense pas avoir compris vraiment. Mettre une règle travers du carter boite ou il y a les butées,  mesurer les distances et reporter sur les doigts une fois remonter tout?
Je vais essayer de faire ma commande demain, je n ai fait qu une vingtaine d heures , mais j avais acheté une épave malheureusement.
Peut-être le mécanisme? Le roulement du volant moteur ( pilote ), la butée d avancement a un tout tout-petit peu de jeu, pas celle de pdf , mais je vais sûrement les prendre quand même, ainsi que le guide butée ( terme? ) le disque d avancement, est ce que le disque pdf sera déjà compris dans le mécanisme ?
Le volant moteur je ne sais pas comment faire si je peux laisser. Pour mon souci de passage de vitesse impossible, vu l etat les disques ne coulissaient plus bien peut etre aussi, mais je n ai pas de réponse. L arbre a l air en place
, j ai eu du mal a écarter séparer le tracteur au début, peut-être un élément de réponse ? J ai du faire levier de chaque côté a tour de rôle les 10 premiers cm.. Merci encore
			
			
													Je vais essayer de faire ma commande demain, je n ai fait qu une vingtaine d heures , mais j avais acheté une épave malheureusement.
Peut-être le mécanisme? Le roulement du volant moteur ( pilote ), la butée d avancement a un tout tout-petit peu de jeu, pas celle de pdf , mais je vais sûrement les prendre quand même, ainsi que le guide butée ( terme? ) le disque d avancement, est ce que le disque pdf sera déjà compris dans le mécanisme ?
Le volant moteur je ne sais pas comment faire si je peux laisser. Pour mon souci de passage de vitesse impossible, vu l etat les disques ne coulissaient plus bien peut etre aussi, mais je n ai pas de réponse. L arbre a l air en place
, j ai eu du mal a écarter séparer le tracteur au début, peut-être un élément de réponse ? J ai du faire levier de chaque côté a tour de rôle les 10 premiers cm.. Merci encore
					Dernière modification par dave02 le 15 août 2021 10:11, modifié 1 fois.
									
			
						
										
						- 
				jj
- Fiatagrinaute de Paladium 
- Messages : 10022
- Enregistré le : 04 sept. 2012 01:00
- Localisation : PLABENNEC
- x 217
Re: Démontage de l embrayage 5711
pour le réglage tu as parfaitement compris 
pour le disque si tu n'as de fuite palier arriere et nez de boite tu n'as pensé mettre un avec des
garnitures ? ou de regarnir le tient (suivant le prix)?
pour la butée d'avancement si tu as un doute il vaut mieux la changer
tu n'oublies pas le roulement pilote (c'est pas tres cher)
			
			
									
						
										
						pour le disque si tu n'as de fuite palier arriere et nez de boite tu n'as pensé mettre un avec des
garnitures ? ou de regarnir le tient (suivant le prix)?
pour la butée d'avancement si tu as un doute il vaut mieux la changer
tu n'oublies pas le roulement pilote (c'est pas tres cher)
Re: Démontage de l embrayage 5711
Merci jj, je reporterai sur les doigts donc, je suppose en faisant la même chose sur le carter embrayage côté moteur cette fois ci avec toujours une règle...arrêtes moi si j ai pas bon.
Pour le disque d avancement et pdf je prends neuf c est bon quand même ? Il coûte 34 € pièce chacun.. Le mécanisme comme ça le ( volant moteur) côté boite pdf sera neuf Mais le volant moteur côté moteur je peux le laisser ?
Je ne le trouve pas en vente, il a chauffé on dirait
			
			
									
						
										
						Pour le disque d avancement et pdf je prends neuf c est bon quand même ? Il coûte 34 € pièce chacun.. Le mécanisme comme ça le ( volant moteur) côté boite pdf sera neuf Mais le volant moteur côté moteur je peux le laisser ?
Je ne le trouve pas en vente, il a chauffé on dirait
- 
				jean claude 2320
- Fiatagrinaute de Paladium 
- Messages : 3337
- Enregistré le : 15 avr. 2017 01:00
- Localisation : Béarn, Vic-Bilh
- x 283
- x 200
Re: Démontage de l embrayage 5711
Salut David, voici la revue technique:
http://vieux.tracteurs.free.fr/pdf/RTMA ... _57_67.pdf
			
			
									
						
										
						http://vieux.tracteurs.free.fr/pdf/RTMA ... _57_67.pdf
- 
				jean claude 2320
- Fiatagrinaute de Paladium 
- Messages : 3337
- Enregistré le : 15 avr. 2017 01:00
- Localisation : Béarn, Vic-Bilh
- x 283
- x 200
Re: Démontage de l embrayage 5711
ce volant moteur n'est pas identique, mais pour tous modèles 3, 4 cyl  culasses séparées
https://www.valety.fr/moteur-g1/630-vol ... or-g1.html mais toi , c'est un moteur Z 5501.
			
			
									
						
										
						https://www.valety.fr/moteur-g1/630-vol ... or-g1.html mais toi , c'est un moteur Z 5501.
Re: Démontage de l embrayage 5711
Salut, pas chouette dedans ...tu nettoie bien l'ensemble des cannelures des arbres, elles paraissent grasses et 
sa n'aide pas à coulisser ,et vérifier les joints coté boite et moteur. Change disques et butées, vérifie le
mécanisme mais pas facile à voir quand on connait pas grand chose...le volant moteur peut se rectifier peut-être
mais c'est bizarre les craquelures , comme tu dis il a chauffé?
			
			
									
						
										
						sa n'aide pas à coulisser ,et vérifier les joints coté boite et moteur. Change disques et butées, vérifie le
mécanisme mais pas facile à voir quand on connait pas grand chose...le volant moteur peut se rectifier peut-être
mais c'est bizarre les craquelures , comme tu dis il a chauffé?
