766 DT
-
jj
- Fiatagrinaute de Paladium

- Messages : 10201
- Enregistré le : 04 sept. 2012 01:00
- Localisation : PLABENNEC
- x 227
Re: 766 DT
il me semble que le vérin est le bon
tu l'as démonté pour voir l'état des joints ?
tu l'as démonté pour voir l'état des joints ?
En ligne
-
jean claude 2320
- Fiatagrinaute de Paladium

- Messages : 3519
- Enregistré le : 15 avr. 2017 01:00
- Localisation : Béarn, Vic-Bilh
- x 299
- x 212
Re: 766 DT
Tout à fait ,ref 5110840, tigeØ 22 mm, déployée 19 cm.
Voici l'éclaté si tu démontes:
Voici l'éclaté si tu démontes:
Re: 766 DT
Ok, merci pour vos réponses, je verrais après le changement des pneus.
Je démonterais peut être le vérin même si j'ai un doute sur sa responsabilité puisqu'il fut changé avant la vente.
Je démonterais peut être le vérin même si j'ai un doute sur sa responsabilité puisqu'il fut changé avant la vente.
-
jj
- Fiatagrinaute de Paladium

- Messages : 10201
- Enregistré le : 04 sept. 2012 01:00
- Localisation : PLABENNEC
- x 227
Re: 766 DT
une petite précision ce genre de vérin est changé à cause du jeu de la rotule
plus personne ne veut couper et souder simplement une rotule
plus personne ne veut couper et souder simplement une rotule
Re: 766 DT
Ah ben va falloir que je dépose le vérin de toute façon tôt ou tard...
Il y a un jeu pas possible côté roue !
Et je ne sais pas si ça vient de la tête de vérin ou de l'axe.
C'était un drôle de bricoleur le précédent...
Il y a un jeu pas possible côté roue !
Et je ne sais pas si ça vient de la tête de vérin ou de l'axe.
C'était un drôle de bricoleur le précédent...
En ligne
-
jean claude 2320
- Fiatagrinaute de Paladium

- Messages : 3519
- Enregistré le : 15 avr. 2017 01:00
- Localisation : Béarn, Vic-Bilh
- x 299
- x 212
Re: 766 DT
Pourquoi il a soudé un fer cornière sur la barre de liaison ? Elle a été pliée, cassée?
Le jeu de l'axe, c'est normal, çà se bouffe surtout si on oublie de graisser.
Le jeu de l'axe, c'est normal, çà se bouffe surtout si on oublie de graisser.
Re: 766 DT
Le fer cornière, je ne sais pas, je n'ai pas inspecté la barre de près...
Mais je pense que c'est une réparation suite à un pliage.
Je vais commander un axe, ce sera toujours ça de mieux
Mais je pense que c'est une réparation suite à un pliage.
Je vais commander un axe, ce sera toujours ça de mieux
En ligne
-
jean claude 2320
- Fiatagrinaute de Paladium

- Messages : 3519
- Enregistré le : 15 avr. 2017 01:00
- Localisation : Béarn, Vic-Bilh
- x 299
- x 212
Re: 766 DT
Vérifies les clapets 33 et 24:
Re: 766 DT
ça parait difficilement accessible non ?
Je me dis tant qu'à tout démonter, autant commander un orbitrol pour l'avoir sous la main le jour où.
De toute façon si tout y est usé...
Je me dis tant qu'à tout démonter, autant commander un orbitrol pour l'avoir sous la main le jour où.
De toute façon si tout y est usé...
En ligne
-
jean claude 2320
- Fiatagrinaute de Paladium

- Messages : 3519
- Enregistré le : 15 avr. 2017 01:00
- Localisation : Béarn, Vic-Bilh
- x 299
- x 212
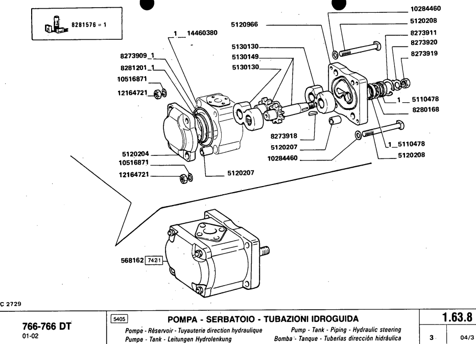
Re: 766 DT
Ne tiens compte que partiellement au document précédent. Il ne correspond pas entièrement à ton modèle mais plutôt à la série 90 qui n'a pas la même pompe.
Donc, commence par le vérin comme te l'a conseillé JJ. avant de faire trop de frais .
Vérifies que le filtre soit bien monté avec le ressort et soit propre. Il y a un reniflard sur le bouchon.
Juste , sur la pompe, il n'y a pas d'accessoires sur l'avant ?
Pompe direction 80-90 Normalement sur ton tracteur, il y a cette pompe:
Donc, commence par le vérin comme te l'a conseillé JJ. avant de faire trop de frais .
Vérifies que le filtre soit bien monté avec le ressort et soit propre. Il y a un reniflard sur le bouchon.
Juste , sur la pompe, il n'y a pas d'accessoires sur l'avant ?
Pompe direction 80-90 Normalement sur ton tracteur, il y a cette pompe:
