Boîte 100-90

Pannes concernant le pont, les boites, les freins
Bruneau Dimitri
Débutant Fiatagrinaute
Débutant Fiatagrinaute
Messages : 28
Enregistré le : 13 févr. 2024 13:05
x 1

Boîte 100-90

  • Citer
  • Connect toi pour aimer ce post

Message non lu par Bruneau Dimitri »

Bonjour, j’ai l’impression que de l’huile de pont s’en vas dans la boîte de mon 100-90 Dt, j’aurai voulu des conseil pour effectuer le changement du joint et si quelqu’un aurai une vue éclatée c’est pas de refus 😅
Par avance merci
jj
Fiatagrinaute de Paladium
Fiatagrinaute de Paladium
Messages : 10222
Enregistré le : 04 sept. 2012 01:00
Localisation : PLABENNEC
x 229

Re: Boîte 100-90

  • Citer
  • Connect toi pour aimer ce post

Message non lu par jj »

tu as deux solutions :
tu déposes la plate-forme , tu sépares la boite du pont et tu changes le joint spi
sinon tu relies les deux niveaux boite et pont (sous la plate-forme avec un flexible ou un tuyau rigide dans ce cas la boite et le pont communiqueront et la jauge sera sous celle du pont à l'arriere
je te garanti que cela fonctionne
Bruneau Dimitri
Débutant Fiatagrinaute
Débutant Fiatagrinaute
Messages : 28
Enregistré le : 13 févr. 2024 13:05
x 1

Re: Boîte 100-90

  • Citer
  • Connect toi pour aimer ce post

Message non lu par Bruneau Dimitri »

Auriez vous un schéma j’ai du mal à visualiser ? 😅
On doit obligatoirement séparer la boite du pont, on ne peux pas passer par le pont à l’arrière ?
jean claude 2320
Fiatagrinaute de Paladium
Fiatagrinaute de Paladium
Messages : 3557
Enregistré le : 15 avr. 2017 01:00
Localisation : Béarn, Vic-Bilh
x 304
x 212

Re: Boîte 100-90

  • Citer
  • Connect toi pour aimer ce post

Message non lu par jean claude 2320 »

Bonjour Dimitri,
pour éviter de tout démonter, JJ te propose de mettre un flexible extérieur entre le niveau A du pont(figure 29 ) et le point vert niveau boîte ( figure 30):(exemple sur le 680)
Niveaux_ 2025-02-28 074509.png
jj
Fiatagrinaute de Paladium
Fiatagrinaute de Paladium
Messages : 10222
Enregistré le : 04 sept. 2012 01:00
Localisation : PLABENNEC
x 229

Re: Boîte 100-90

  • Citer
  • Connect toi pour aimer ce post

Message non lu par jj »

le bouchon de niveau du pont arriere est au niveau du réservoir auxiliaire dans le meme alignement que celui de boite de
vitesses
jean claude 2320
Fiatagrinaute de Paladium
Fiatagrinaute de Paladium
Messages : 3557
Enregistré le : 15 avr. 2017 01:00
Localisation : Béarn, Vic-Bilh
x 304
x 212

Re: Boîte 100-90

  • Citer
  • Connect toi pour aimer ce post

Message non lu par jean claude 2320 »

A noter qu'il y a ce dispositif pour graisser la boîte sur la série 90:
100-90_Graissage de la bv_2026-03-31 211443.gif
100-90_Graissage de la bv_2026-03-31 211443.gif (29.85 Kio) Vu 843 fois
100-90 bouchon niveau bv pont rel_ 2024-11-03 164655.png
100-90 bouchon niveau bv pont rel_ 2024-11-03 164655.png (132.86 Kio) Vu 843 fois
100-90  carter transmission 218182.png
Bruneau Dimitri
Débutant Fiatagrinaute
Débutant Fiatagrinaute
Messages : 28
Enregistré le : 13 févr. 2024 13:05
x 1

Re: Boîte 100-90

  • Citer
  • Connect toi pour aimer ce post

Message non lu par Bruneau Dimitri »

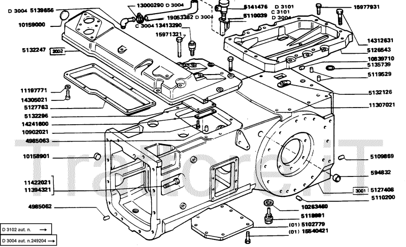
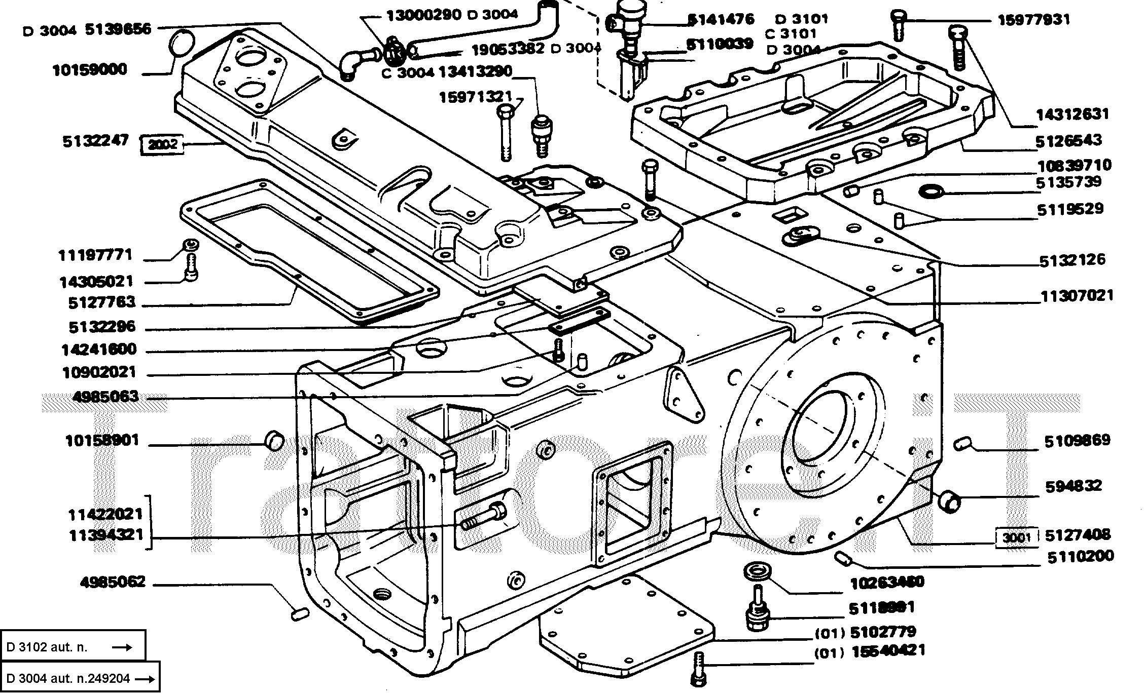
D’accord merci pour vos réponse, et quelqu’un aurai des vues éclatées pour le changement de joint si jamais 😅
thierry 1968
Fiatagrinaute de Paladium
Fiatagrinaute de Paladium
Messages : 1696
Enregistré le : 05 mars 2012 00:00
x 22

Re: Boîte 100-90

  • Citer
  • Connect toi pour aimer ce post

Message non lu par thierry 1968 »

Bonjour

voici une vue éclatée , repère 10 pour le joint d'étanchéité
80-90.jpg
A + Thierry
Répondre