som 35 pompe injection
-
raknitz
- Débutant Fiatagrinaute

- Messages : 28
- Enregistré le : 12 avr. 2020 01:00
- Localisation : Creuse (23)
som 35 pompe injection
Bonjour,
Je reviens ce jour pour un "nouveau" problème, dont je ne suis pas sûr de la bonne marche à suivre pour le résoudre.
Pour explication, le levier de commande régulateur de la pompe à injection est dans une position où la pompe envoi bcp trop de carburant et le régime moteur est "haut" au point mort.
du coup grosse consommation de carburant, et pour "calmer" le moteur je suis obligé de temps en temps de tirer sur le bouton poussoir du régulateur pour ralentir le moteur à un régime bien plus lent et normal pour le moteur.
Mise à part essayer de raccourcir la tringle inférieur qui actionne le levier de commande de la pompe (sachant que je dois ronger quasi 1cm), y a t il une autre possibilité pour ralentir la pompe à injection, diminuer ma consommation et avoir un moteur dont le ralenti est normal et non sous stéroide ?
Je vous remercie d'avance pour votre aide éventuel.
Je reviens ce jour pour un "nouveau" problème, dont je ne suis pas sûr de la bonne marche à suivre pour le résoudre.
Pour explication, le levier de commande régulateur de la pompe à injection est dans une position où la pompe envoi bcp trop de carburant et le régime moteur est "haut" au point mort.
du coup grosse consommation de carburant, et pour "calmer" le moteur je suis obligé de temps en temps de tirer sur le bouton poussoir du régulateur pour ralentir le moteur à un régime bien plus lent et normal pour le moteur.
Mise à part essayer de raccourcir la tringle inférieur qui actionne le levier de commande de la pompe (sachant que je dois ronger quasi 1cm), y a t il une autre possibilité pour ralentir la pompe à injection, diminuer ma consommation et avoir un moteur dont le ralenti est normal et non sous stéroide ?
Je vous remercie d'avance pour votre aide éventuel.
-
jj
- Fiatagrinaute de Paladium

- Messages : 10023
- Enregistré le : 04 sept. 2012 01:00
- Localisation : PLABENNEC
- x 218
Re: som 35 pompe injection
la membrane de régulation n'est pas abimée ?
-
raknitz
- Débutant Fiatagrinaute

- Messages : 28
- Enregistré le : 12 avr. 2020 01:00
- Localisation : Creuse (23)
Re: som 35 pompe injection
disons que même en regardant la planche 14 qui détaille la pompe à injection, j'avoue ne pas être sur de réellement savoir mettre le doigt sur où est la membrane de régulation dont vous me parlez 
s'il est possible d'avoir un petit indice de comment constater l'état de celle ci.
qui plus est, le fait de raccourcir la tirette pour forcer la commande en position "plus fermée" n'est donc pas une bonne idée ?
s'il est possible d'avoir un petit indice de comment constater l'état de celle ci.
qui plus est, le fait de raccourcir la tirette pour forcer la commande en position "plus fermée" n'est donc pas une bonne idée ?
-
jean claude 2320
- Fiatagrinaute de Paladium

- Messages : 3336
- Enregistré le : 15 avr. 2017 01:00
- Localisation : Béarn, Vic-Bilh
- x 283
- x 200
Re: som 35 pompe injection
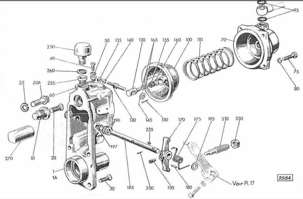
Bonsoir, voici la membrane: 100.
-
raknitz
- Débutant Fiatagrinaute

- Messages : 28
- Enregistré le : 12 avr. 2020 01:00
- Localisation : Creuse (23)
Re: som 35 pompe injection
forcément si je consultais la mauvaise planche, je ne risquais pas de trouver...
cela étant j'imagine qu'il n'y a qu'en démontant que je pourrais m'en rendre compte.
cela voudrais dire que la membrane a "minci" au fur et à mesure des années et c'est pour que mon levier de commande va trop vers "l'avant et donne trop de gasoil à la pompe ?
mais déjà un grand merci pour les réponses.
cela étant j'imagine qu'il n'y a qu'en démontant que je pourrais m'en rendre compte.
cela voudrais dire que la membrane a "minci" au fur et à mesure des années et c'est pour que mon levier de commande va trop vers "l'avant et donne trop de gasoil à la pompe ?
mais déjà un grand merci pour les réponses.
-
jean claude 2320
- Fiatagrinaute de Paladium

- Messages : 3336
- Enregistré le : 15 avr. 2017 01:00
- Localisation : Béarn, Vic-Bilh
- x 283
- x 200
Re: som 35 pompe injection
Voir aussi la vis de butée de ralenti 210 , le contre - écrou s'est peut-être desserré et/ou le ressort 175 hs.
-
raknitz
- Débutant Fiatagrinaute

- Messages : 28
- Enregistré le : 12 avr. 2020 01:00
- Localisation : Creuse (23)
Re: som 35 pompe injection
Bon ben l'aventure fut de courte durée..
Après avoir enlevé 1cm de gras/boue/terre, j'ai enfin trouvé la vis de ralenti et après 3 ou 4 essais avec le moteur en route, j'ai enfin un régime moteur au point mort qui n'est pas sous stéroïde.
Me reste plus qu'à remonter tout ce que j'ai démonté inutilement et je pourrais repartir en foret.
Encore merci pour les indications et votre aide.
Bien cordialement.
Julien
Après avoir enlevé 1cm de gras/boue/terre, j'ai enfin trouvé la vis de ralenti et après 3 ou 4 essais avec le moteur en route, j'ai enfin un régime moteur au point mort qui n'est pas sous stéroïde.
Me reste plus qu'à remonter tout ce que j'ai démonté inutilement et je pourrais repartir en foret.
Encore merci pour les indications et votre aide.
Bien cordialement.
Julien
-
raknitz
- Débutant Fiatagrinaute

- Messages : 28
- Enregistré le : 12 avr. 2020 01:00
- Localisation : Creuse (23)
Re: som 35 pompe injection
Ah si je me permets une dernière question, mon som35 n'a pas d'horotachymètre, comment faire pour connaitre la valeur du régime moteur ?
-
jean claude 2320
- Fiatagrinaute de Paladium

- Messages : 3336
- Enregistré le : 15 avr. 2017 01:00
- Localisation : Béarn, Vic-Bilh
- x 283
- x 200
Re: som 35 pompe injection
Bonjour, A l'oreille, qu'il tourne rond , mais pas trop bas.
Sur la pompe faire le niveau d'huile par la jauge (jusqu'au trait).
Sur la pompe faire le niveau d'huile par la jauge (jusqu'au trait).
-
raknitz
- Débutant Fiatagrinaute

- Messages : 28
- Enregistré le : 12 avr. 2020 01:00
- Localisation : Creuse (23)
Re: som 35 pompe injection
Encore merci pour toutes vos réponses, et bon dimanche à vous.
Julien
Julien