Page 1 sur 1
SOMECA 715 de WESLAY :Problèmes injection.
Posté : 06 juil. 2025 20:17
par jean claude 2320
Re: SOMECA 715 de WESLAY :Problèmes injection.
Posté : 07 juil. 2025 07:52
par weslay
Un grand merci pour le lien

Re: SOMECA 715 de WESLAY :Problèmes injection.
Posté : 07 juil. 2025 10:21
par jean claude 2320
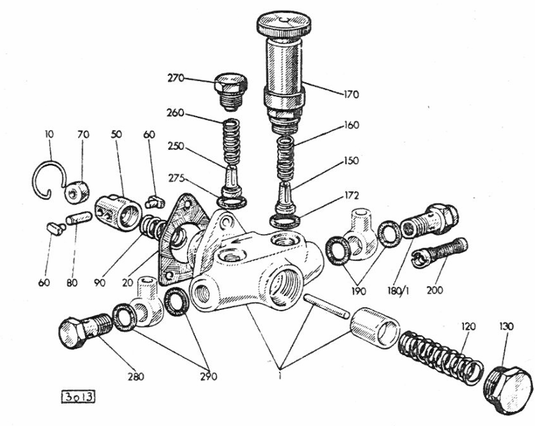
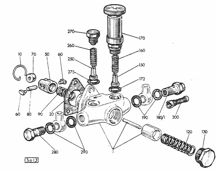
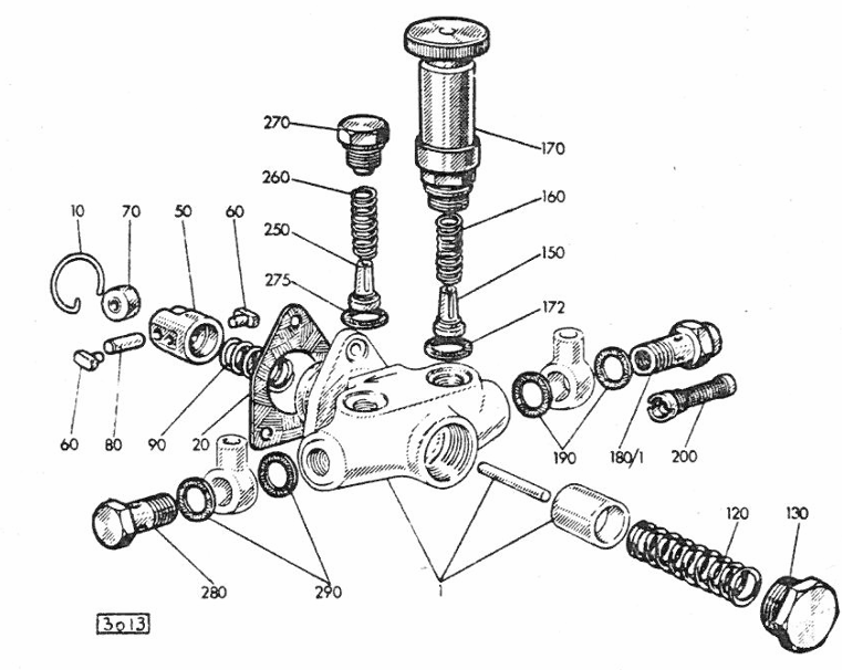
Il y en a 2:

- Pompe d'alimentation_2025-07-07 101205.png (212.24 Kio) Vu 4139 fois

- Pompe d'alimentation-desc_ 2025-07-07 101520.png (275.58 Kio) Vu 4139 fois
Re: SOMECA 715 de WESLAY :Problèmes injection.
Posté : 07 juil. 2025 10:50
par weslay
Oui, mais j'en ai perdu 1 seul..