comment vont bien les aficiadonados du forum ?
petites bricoles qui aurait 'juste' permis de retrouver du propre dans le fonctionnement de l'électricité...
à la sortie de la bataille je me sens nul, très nul
j'ai essayé d'etre logique mais j'ai besoin d'aide
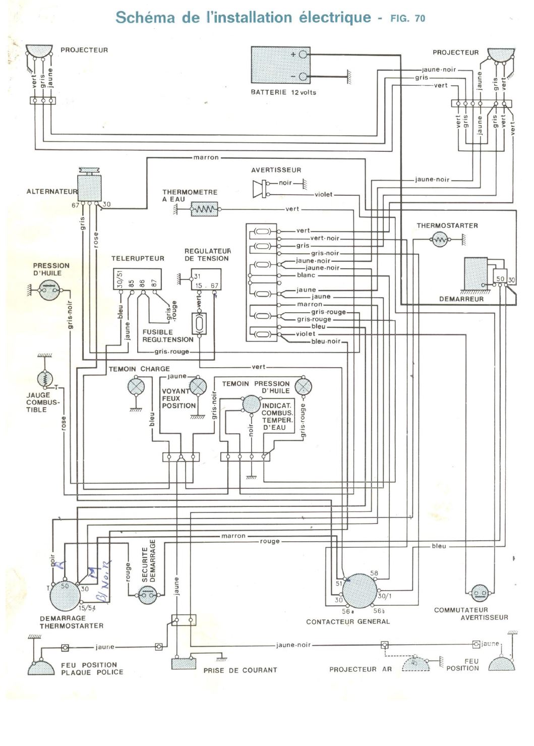
j'ai bien ce schema : mais je ne vois pas les clignotants dessus, c'est eux qui refusent de marcher
auriez-vous un schema semplifié pour debutant ? meme generaliste ?
merci
a++

