Page 1 sur 3
aide pour electricité fiat someca 450
Posté : 18 août 2021 10:06
par maxsol
bonjour
comment vont bien les aficiadonados du forum ?
petites bricoles qui aurait '
juste' permis de retrouver du propre dans le fonctionnement de l'électricité...
à la sortie de la bataille je me sens nul, très nul
j'ai essayé d'etre logique mais j'ai besoin d'aide
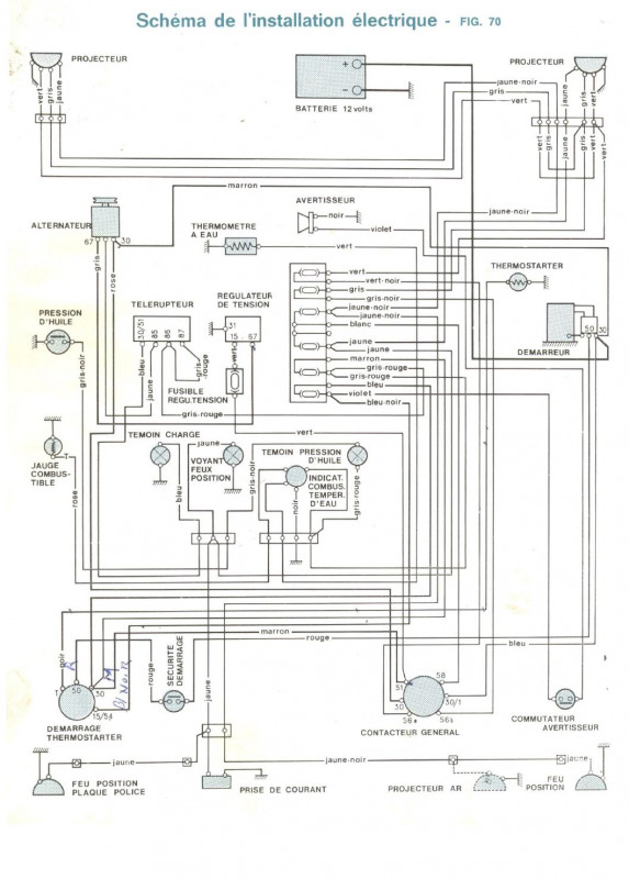
j'ai bien ce schema :

- installation electrique fiat someca 450
mais je ne vois pas les clignotants dessus, c'est eux qui refusent de marcher
auriez-vous un schema semplifié pour debutant ? meme generaliste ?
merci
a++
Re: aide pour electricité fiat someca 450
Posté : 18 août 2021 10:15
par CHBO
salut,
tu as un schéma de première génération, les clignotants ne sont proposer à cette époque!
aurait tu une photo des tes feux pour voir si c'est d'origine ou pas?
Re: aide pour electricité fiat someca 450
Posté : 18 août 2021 10:32
par maxsol
je viens de les changer par olsa (ou apparentés)

- olsa001.jpg (70.14 Kio) Vu 4191 fois

Re: aide pour electricité fiat someca 450
Posté : 18 août 2021 10:42
par CHBO
et les fils était arrivé avec contacteur et voyant de retour au tableau de bord?
si c'est le cas, il vaudrait mieux télécharger une notice plus récente comme sur le 450S par exemple:
http://tracteurs.someca.free.fr/450s.html
Re: aide pour electricité fiat someca 450
Posté : 18 août 2021 10:48
par maxsol
petit tour
phares coté Gauche
Re: aide pour electricité fiat someca 450
Posté : 18 août 2021 10:52
par maxsol
CHBO a écrit : ↑18 août 2021 10:42
et les fils était arrivé avec contacteur et voyant de retour au tableau de bord?
merci CHBO
je vais vérifier

Re: aide pour electricité fiat someca 450
Posté : 18 août 2021 10:58
par maxsol
c'est judicieux d'utiliser ces gadgets et le mettre (si et quand tout fonctionne) dans une boite étanche ?

- bornier "chinois"
je dois trouver des reglettes de connexion (27, 29)... elles ressemblent à quoi ?

- reglettes
Re: aide pour electricité fiat someca 450
Posté : 18 août 2021 11:02
par maxsol
ok pour les schémas
PS
beaucoup moins facile de ce que j'ai cru

Re: aide pour electricité fiat someca 450
Posté : 18 août 2021 11:10
par CHBO
pour les pinces de connexions, apparemment c'est mieux que les dominos et dans une boite étanche ce n'est que mieux!

Re: aide pour electricité fiat someca 450
Posté : 18 août 2021 11:17
par maxsol
CHBO a écrit : ↑18 août 2021 11:10
pour les pinces de connexions, apparemment c'est mieux que les dominos et dans une boite étanche ce n'est que mieux!
cool CHBO, meme sous les ailes ?

- bornier aile