Page 1 sur 2
Voyant frein a main
Posté : 21 avr. 2021 10:03
par Rigollet
Bonjour les fiatistes, jai besoin d'aide , encore.... jai remarquer que javais un fil blanc qui sur promener sur le pont arrière depuis un certain tps et javais pas pris le tps dy regarder de plus pres, il se trouve que c'été le fil du temoin de frein a main qui c'été arracher, je remet un nouvelle cosse et la niquel le temoin sallume!!! Mais un fois le frein a main enlever jai tjs mon voyant qui clignote, vous avez une idée du pb??? Jai regarder le schéma électrique mais je bloque!!! Merci
Re: Voyant frein a main
Posté : 21 avr. 2021 10:46
par jean claude 2320
Salut Nico , voir le contacteur s'il reste pas bloqué ou hs. Il y a 3 fils à son niveau. Tu fait aller la petite languette et un peu de wd40.
Re: Voyant frein a main
Posté : 21 avr. 2021 10:57
par jj
en plus le témoin de frein à main sert au niveau d'huile des freins
comme tu viens d'intervenir tu regardes si le niveau est bien au maximum
Re: Voyant frein a main
Posté : 21 avr. 2021 11:14
par jean claude 2320
contacteur:le fil blanc seul coté languette, les 2 autres noirs ensemble dessous.
Re: Voyant frein a main
Posté : 21 avr. 2021 11:24
par Rigollet
Ok merci pour vos réponses rapide, je regarde ca vite et je vous redis!! Jvais verifier le niveau Jean jacques mais on est bien daccord que sur le tableau de bord ya justment le voyant dhuile de frein juste en desous, il se serait allumer aussi si le niveau ete trop faible non??
Re: Voyant frein a main
Posté : 21 avr. 2021 11:46
par jj
tu as des versions ou le voyant d'huile des freins communique avec celui du frein à main
mais il est possible comme t'as indiqué JEAN CLAUDE que ce soit le contacteur
Re: Voyant frein a main
Posté : 21 avr. 2021 18:42
par jean claude 2320

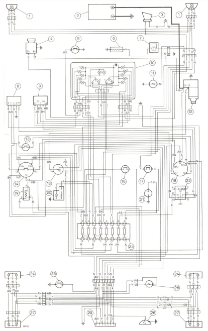
- 25 19Capture d’écran 2021-04-21 183743.png (249.91 Kio) Vu 2407 fois
voir interrupteur 25 et la centrale clignotante pour témoin frein à main serré 19 ( moi c'est un petit boitier cylindrique gris argent).
C'est un fil noir de masse qui les relient.

- 25 19Capture d’écran 2021-04-21 183928.png (117.72 Kio) Vu 2407 fois
Re: Voyant frein a main
Posté : 21 avr. 2021 22:04
par Rigollet
Merci pour les shemas , jai regarder vite fais ce soir, mon niveau dhuile de frein est niquel jj , maintnant je tavoue que mes fiches électriques sous la cabine sont pas top, bcp de poussières dedans va faloir que je nettoie tout ca yen a grand besoin, jai regarder sous le volant jai bien vu ce ptit boitier gris argent dont tu me parles Jean claude , jai vu un blanc, un noir et lautre je sais plus trop, demain je suis en repos jvais en profiter pour bricoler ca et voir si ca maeche, jvais en profiter aussi pour changer les joints du verin de direction et voir si ya plus de fuite a ce niveau!!!
Re: Voyant frein a main
Posté : 22 avr. 2021 08:11
par jean claude 2320
Bonjour Nico, avec la poussière et le reste , il y a aussi les broches de raccordement, tester , nettoyer et wd40.Bonne journée.
Re: Voyant frein a main
Posté : 22 avr. 2021 13:48
par Rigollet
Salut Jean claude, oui comme tu dis un bon coup de nettoyage va lui faire du bein, je regarde ca dans laprem et je donne des news plus tard !!! Bonne aprem