Tout nouveau dans le monde du Tracteur : Someca 670
-
jj
- Fiatagrinaute de Paladium

- Messages : 10075
- Enregistré le : 04 sept. 2012 01:00
- Localisation : PLABENNEC
- x 223
Re: Tout nouveau dans le monde du Tracteur : Someca 670
pour les "bougies" c'est la résistance du démarrage à froid ?
Re: Tout nouveau dans le monde du Tracteur : Someca 670
C'est ça ! même si c'est pas super utile je vais les changer et refaire le câblage sur un des bouton noir qu'on voit a droite du panneau au niveau du genou (il démarre super bien avec la surcharge) mais si un jour j'en ai besoin en hiver au moins il sera prêt
-
jean claude 2320
- Fiatagrinaute de Paladium

- Messages : 3383
- Enregistré le : 15 avr. 2017 01:00
- Localisation : Béarn, Vic-Bilh
- x 291
- x 203
Re: Tout nouveau dans le monde du Tracteur : Someca 670
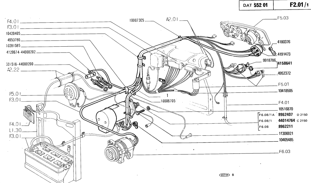
Salut Criters, voici le faisceau de 750.
-
jj
- Fiatagrinaute de Paladium

- Messages : 10075
- Enregistré le : 04 sept. 2012 01:00
- Localisation : PLABENNEC
- x 223
Re: Tout nouveau dans le monde du Tracteur : Someca 670
la différence entre le faisceau du 750 et du 670 le premier a un alternateur avec régulateur a part le
670 a une dynamo
670 a une dynamo
Re: Tout nouveau dans le monde du Tracteur : Someca 670
Merci pour les informations
Je vais regarder pour commander les bougies et les embout adequat pour le branchement
Je vais regarder pour commander les bougies et les embout adequat pour le branchement
-
jean claude 2320
- Fiatagrinaute de Paladium

- Messages : 3383
- Enregistré le : 15 avr. 2017 01:00
- Localisation : Béarn, Vic-Bilh
- x 291
- x 203
Re: Tout nouveau dans le monde du Tracteur : Someca 670
Avant de commander, vérifies qu'elles soient hs. Est ce qu'elles sont alimentées ? Si oui à l'étau avec une batterie, tu vois si elles rougissent en mettent le + là où tu branches et le - à l'étau( attention que le + ne touche ailleurs).
-
jj
- Fiatagrinaute de Paladium

- Messages : 10075
- Enregistré le : 04 sept. 2012 01:00
- Localisation : PLABENNEC
- x 223
Re: Tout nouveau dans le monde du Tracteur : Someca 670
je te mets aussi le faisceau du 715 la résistance de démarrage RP correspond au 670
Re: Tout nouveau dans le monde du Tracteur : Someca 670
J'ai refait l'électricité au propre et la elles sont toutes rouillé pour dire j'ai eu du mal a en dévisser une, mais je l'ai remise car jj m'a dit que c'était dangereux de rouler sansjean claude 2320 a écrit : ↑24 mai 2021 17:02 Avant de commander, vérifies qu'elles soient hs. Est ce qu'elles sont alimentées ? Si oui à l'étau avec une batterie, tu vois si elles rougissent en mettent le + là où tu branches et le - à l'étau( attention que le + ne touche ailleurs).
je préfère en mettre des propre avec graisse cuivrée.
La différence c'est que les nouvelles on une cosse a "clipser" alors que les ancienne c'est à visser
Re: Tout nouveau dans le monde du Tracteur : Someca 670
J'essaierai de faire une photo , j'ai refait version 2021 :
- Relais 200 A
- Support de fusible automobile
Il faut juste que je gère le démontage en rajoutant des clips automobile ou type aviation (https://fr.aliexpress.com/item/10050015 ... web201603_
Re: Tout nouveau dans le monde du Tracteur : Someca 670
Voici les bougies d'origine qui fonctionnent en plus.
Par contre c'est normal qu'elles prennent feu ?
Par contre c'est normal qu'elles prennent feu ?