moteur someca 480-8 qui tourne sur 2 cylindres
-
pat88410
- Nouveau Fiatagrinaute

- Messages : 23
- Enregistré le : 15 nov. 2022 13:12
- Localisation : vosges 88 limite 70
- x 5
Re: moteur someca 480-8 qui tourne sur 2 cylindres
jj, merci pour ta réponse, je vais faire ca, et en plus ca va certainement diminuer mes fumées d'échappement excessives .
a plus
a plus
-
pat88410
- Nouveau Fiatagrinaute

- Messages : 23
- Enregistré le : 15 nov. 2022 13:12
- Localisation : vosges 88 limite 70
- x 5
Re: moteur someca 480-8 qui tourne sur 2 cylindres
bonjour jj, je viens d'emmener mes injecteur pour les faire tarer ,dans un dernier message vous me dite de les faire tarer a 175 bar , le dieseliste m'a dit qu'il étaient a 230 bar, donc en rentrant chez moi j'ai regardé sur le guide d'usage du tracteur et en effet il est écrit qu'il faut les tarer a 230 b.

pouvez vous me dire a combien je les mets

pouvez vous me dire a combien je les mets
-
jj
- Fiatagrinaute de Paladium

- Messages : 10201
- Enregistré le : 04 sept. 2012 01:00
- Localisation : PLABENNEC
- x 227
Re: moteur someca 480-8 qui tourne sur 2 cylindres
ton dieseliste a raison et moi aussi tout dépend du modèle d'injecteur
je te mets les deux types
problème résolu ?
je te mets les deux types
problème résolu ?
-
pat88410
- Nouveau Fiatagrinaute

- Messages : 23
- Enregistré le : 15 nov. 2022 13:12
- Localisation : vosges 88 limite 70
- x 5
Re: moteur someca 480-8 qui tourne sur 2 cylindres
jj merci beaucoup, il faut attendre encore un peu pour savoir si le problème est résolu, car il faut changer les becs sur les injecteurs , ils étaient vraiment trop fatigués, donc a suivre; et après un petit réglage de culbuteurs.
-
pat88410
- Nouveau Fiatagrinaute

- Messages : 23
- Enregistré le : 15 nov. 2022 13:12
- Localisation : vosges 88 limite 70
- x 5
Re: moteur someca 480-8 qui tourne sur 2 cylindres
Rebonjour a tous, comme les injecteurs étaient démontés, j'en ai profité pour démonter le cache culbuteurs pour voir si tout était normal et je me suis aperçu qu'il y avait une tige de culbuteur qui était plus basse que les autres avec un battement d'environ 1.5 cm pour revenir toucher le culbuteur , j'ai donc démonté la rampe des culbuteurs pour voir si la tige était cassée ou tordue mais rien de tous ça elle est comme toutes les autres, donc pensez vous que c'est normal ou alors si le problème vient de plus bas comme le poussoir. (ci joint une photo de l'écart entre le tige et le culbuteur)
merci

merci

-
jean claude 2320
- Fiatagrinaute de Paladium

- Messages : 3517
- Enregistré le : 15 avr. 2017 01:00
- Localisation : Béarn, Vic-Bilh
- x 299
- x 211
Re: moteur someca 480-8 qui tourne sur 2 cylindres
Bonjour, c'est la tige de culbuteur qui est plus basse que les autres?
OU le culbuteur qui reste en haut ?
OU le culbuteur qui reste en haut ?
-
jj
- Fiatagrinaute de Paladium

- Messages : 10201
- Enregistré le : 04 sept. 2012 01:00
- Localisation : PLABENNEC
- x 227
Re: moteur someca 480-8 qui tourne sur 2 cylindres
vraisemblablement un problème de soupape tu vas devoir déculassér
mais avant tu regardes si la rampe des culbuteurs n'est pas cassée
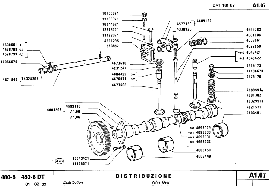
je te mets la coupe du moteur
mais avant tu regardes si la rampe des culbuteurs n'est pas cassée
je te mets la coupe du moteur
-
pat88410
- Nouveau Fiatagrinaute

- Messages : 23
- Enregistré le : 15 nov. 2022 13:12
- Localisation : vosges 88 limite 70
- x 5
Re: moteur someca 480-8 qui tourne sur 2 cylindres
jean Claude, c'est bien la tige qui est au plus bas les culbuteurs sont tous au même niveau.
jj en démontant la rampe des culbuteurs pour pouvoir sortir la tige afin de l'examiner, elle n'était pas cassée ni fêlée les ressorts bien en place et les culbuteurs bougeaient tous, de plus en appuyant avec un manche de marteau sur la soupape en face de la tige a problème celle ci descend bien et remonte bien , les culbuteurs sont tous dans la même position ainsi que les soupapes admissions et échappements.
merci pour la coupe moteur ainsi que l'éclaté de pièces.
jj en démontant la rampe des culbuteurs pour pouvoir sortir la tige afin de l'examiner, elle n'était pas cassée ni fêlée les ressorts bien en place et les culbuteurs bougeaient tous, de plus en appuyant avec un manche de marteau sur la soupape en face de la tige a problème celle ci descend bien et remonte bien , les culbuteurs sont tous dans la même position ainsi que les soupapes admissions et échappements.
merci pour la coupe moteur ainsi que l'éclaté de pièces.
-
jean claude 2320
- Fiatagrinaute de Paladium

- Messages : 3517
- Enregistré le : 15 avr. 2017 01:00
- Localisation : Béarn, Vic-Bilh
- x 299
- x 211
Re: moteur someca 480-8 qui tourne sur 2 cylindres
Les autres culbuteurs, c'est bon?
-
pat88410
- Nouveau Fiatagrinaute

- Messages : 23
- Enregistré le : 15 nov. 2022 13:12
- Localisation : vosges 88 limite 70
- x 5
Re: moteur someca 480-8 qui tourne sur 2 cylindres
Jean Claude oui ils sont tous bons