Page 2 sur 4
Re: avis tracteur
Posté : 21 oct. 2021 20:36
par tonio85
Yes Merci

Re: avis tracteur
Posté : 29 nov. 2021 18:18
par tonio85
Des nouvelles de mon futur tracteur
Queleques photos
C'est une pompe CAV. J'y retourne bientôt pour cette fuite de gasoil derrière la PI.
Il manque aussi la clé si qq'un a une idée

Re: avis tracteur
Posté : 30 nov. 2021 08:34
par jj
pour la fuite à la pompe à injection tu devrais bien nettoyer avant et de le faire tourner
pour la pompe à main elle se change entierement et c'est une pièce tres concurrencée au niveau prix
pour l'entretien tu n'oublies pas un réglage des culbuteurs
Re: avis tracteur
Posté : 03 déc. 2021 14:45
par tonio85
Merci pour tes précisions.
La batterie était déchargée donc j'ai pas pu le démarrer. Ceci dit, en action la pompe à la main, j'ai vu que ça fuyait à priori par l'espèce de boursouflure qu'il y a sous la Pompe à Injection...
J'ai cherché sur le web mais j'ai pas su ce que c'était, si c'était rajouté à la PI, si il y avait un joint, ...
Je vais essayer de démonter mais j'aurais bien aimé avoir des avis avant...
Re: avis tracteur
Posté : 03 déc. 2021 19:32
par jean claude 2320
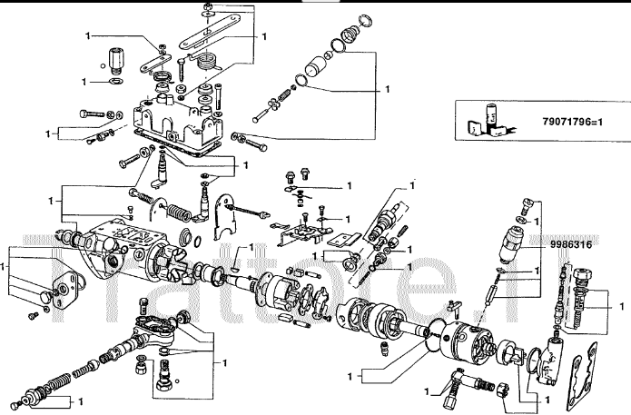
Salut Tonio, voici la vue éclatée de la pompe CAV 98459265 du 60-88:

- PI CAV 98459265_Capture d’écran 2021-12-03 192553.png (127.97 Kio) Vu 2529 fois

- Le détail_Capture d’écran 2021-12-03 193542.png (57.81 Kio) Vu 2529 fois
Re: avis tracteur
Posté : 03 déc. 2021 20:20
par tonio85
Ah oui, c'est bien ça. Il y a l'air d'avoir plusieurs joints, faut voir lequel fuit réellement. Merci. Ce machin, ça ressemble à une vis de réglage non? En tout cas, la vis de devant et la vis de derrière ont l'air démontables, pour voir l’état du joint et le changer.
Re: avis tracteur
Posté : 04 déc. 2021 07:52
par jj
normalement c'est un joint en fibre
je dois avoir une clé de contact mais ce sont les memes que les M.F. ext
tu tapes contacteur à clé LUCAS
si tu ne trouves pas tu me dis
Re: avis tracteur
Posté : 04 déc. 2021 16:56
par tonio85
Pour la clé, je verrais plus tard, pour l'instant un tournevis suffira
Pour le truc sous la pompe à injection, j'ai cru lire sur différent blog de mécanique que c'est l’électrovanne de PI ??!!
Sinon j'ai un relais débranché, savez vous ce qu'il alimente et comment le rebrancher, sur la photo j'ai 2 fils qui se baladent en dessous
Bon week'end
Re: avis tracteur
Posté : 04 déc. 2021 17:51
par jj
si c'est l'électrovanne qui fuit tu as un joint en bout il me semble que c'est un torique
pour les fils et le "relais" il doit s'agir de l'anti-parasite
Re: avis tracteur
Posté : 04 déc. 2021 18:27
par jean claude 2320
Où tu as la fuite, c'est le dispositif d'avance automatique:

- Capture d’écran 2021-12-04 182530.png (122.41 Kio) Vu 2478 fois

- Electrovanne_Capture d’écran 2021-12-04 193242.png (36.53 Kio) Vu 2472 fois