Page 2 sur 2
Re: Voyant frein a main
Posté : 22 avr. 2021 20:56
par Rigollet
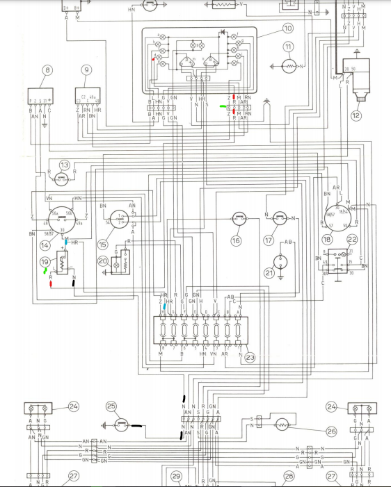
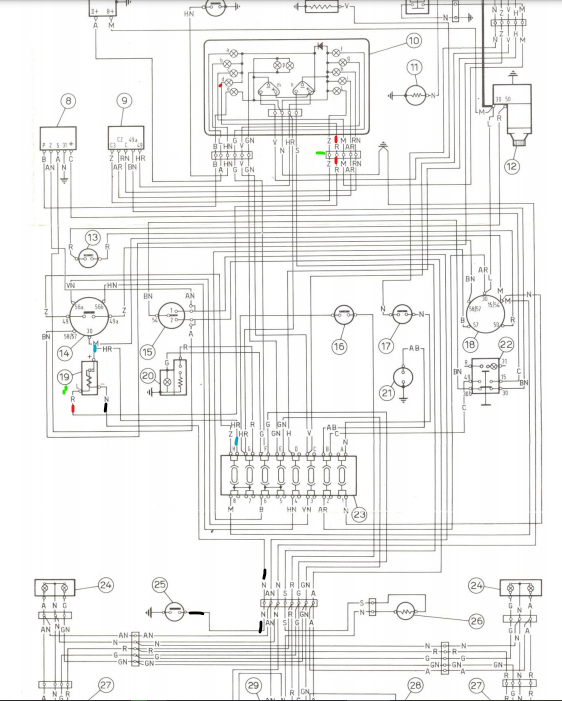
Enfin un journee de repos, ca fais pas de mal, jai un peu de tps pour bricoler sur le 780 , jai fais ce que tu mas dis Jean-claude, un bon coup de nettoyage partout, souflette, wd 40, nettoyer les cosses mais jai pas resolu mon pb de voyant de frein a main, enfin jen es plu comme ca il clignote plus, jme demande si ce pti boitier est pas hs!!!! On parle bien de la mm chose?? Tiens une ptite photo, enfin 2, sinon jai resolu la fuite du verin de direction, je le mettrai dans le sujet approprié pour pas tout mélanger !!!
Re: Voyant frein a main
Posté : 13 mai 2021 15:09
par jean claude 2320
Salut Nico, excuses- moi, e n'avais pas vu ta réponse l'autre jour. Oui, c'est cela le télérupteur 19 . Regardes aussi avant de le changer sa mise à la masse. Tu as aussi le raccordement en vert, gratter les cosses , wd 40.

- Capture d’écran 2021-05-13 145758.png (348.56 Kio) Vu 750 fois

- 25 19Capture d’écran 2021-04-21 183928.png (117.72 Kio) Vu 750 fois
Re: Voyant frein a main
Posté : 13 mai 2021 16:26
par Rigollet
Salut Jean claude tkt pas pour ca, merci pour ton retour,
jsuis pas mal occuper ses derniers tps va faloir que je men occupe prochainement, jy regarderai de plus pres au raccordement que tu me parles!!!