Bonjour
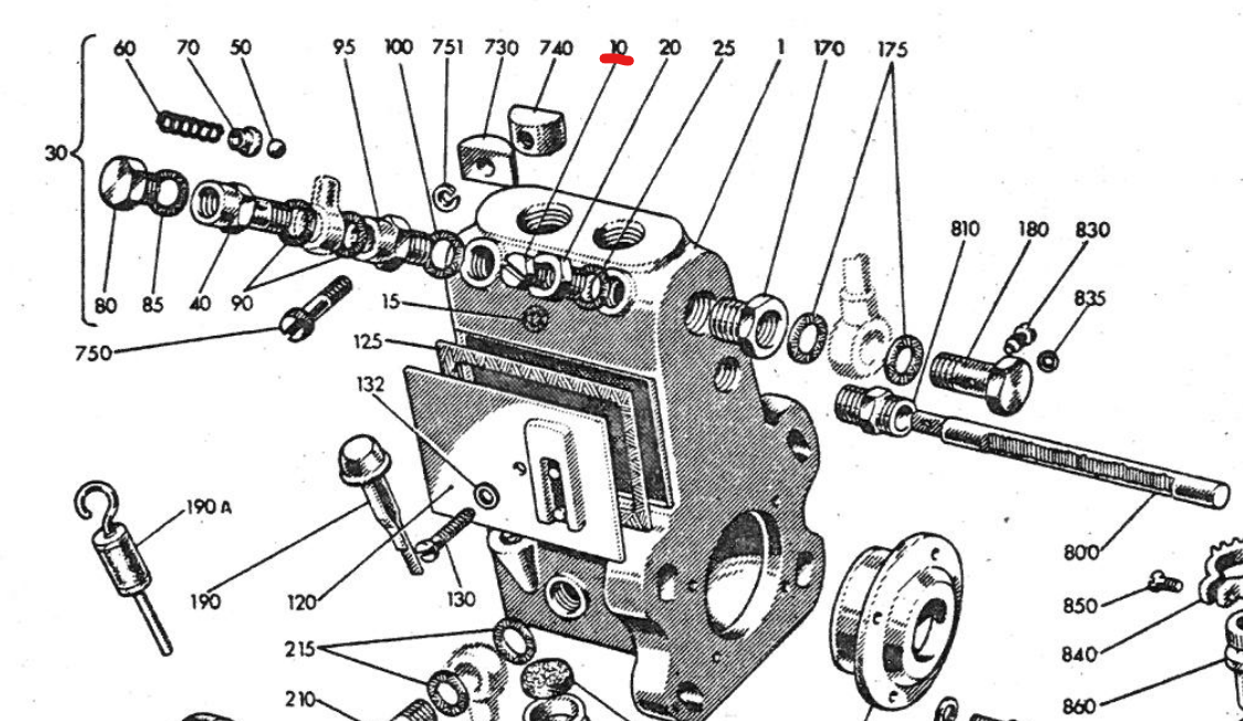
Je suis à la recherche d'un vis de purge de la pompe à injection pour un SOMECA 25D de 1961. Où peut-on en trouver un ?
Cordialement
			
			
									
						
										
						vis de purge pompe injection som 25d
- 
				jean claude 2320
- Fiatagrinaute de Paladium 
- Messages : 3337
- Enregistré le : 15 avr. 2017 01:00
- Localisation : Béarn, Vic-Bilh
- x 283
- x 200
Re: vis de purge pompe injection som 25d
Bonjour, chez un dépositaire CNH NEWHOLLAND. Elle est commune à plusieurs pompes en ligne Bosch (jusqu'au 750).Ne pas oublier le joint de cuivre dessous. Elle s'est perdue?
			
			
									
						
										
						Re: vis de purge pompe injection som 25d
Bonjour
elle s'est cassée. Merci pour la réponse
Cordialement
			
			
									
						
										
						elle s'est cassée. Merci pour la réponse
Cordialement
