Bonjour,
J'ai un 670 est j'aimerais vérifier ma pression d'huile.
Le voyant s'allume bien avec le contact et s'éteint au démarrage.
Même en débranchant le capteur le voyant reste éteint, normal ???
Le capteur étant neuf y a t'il un moyen de le vérifier ?
La recherche a retourné 11 résultats
Aller sur la recherche avancée
- 15 mai 2025 07:15
- Forum : MOTEUR
- Sujet : Pression d'huile
- Réponses : 1
- Vues : 5408
- 07 mai 2025 20:51
- Forum : MOTEUR
- Sujet : Culbuteur Someca 650
- Réponses : 4
- Vues : 20298
Re: Culbuteur Someca 650
Oui désolé erreur de frappe
- 07 mai 2025 15:07
- Forum : MOTEUR
- Sujet : Culbuteur Someca 650
- Réponses : 4
- Vues : 20298
Culbuteur Someca 650
Bonjour,
Mon 650 affiche 4500H.
D'après les photos, qu'elle qu'un peut me dire si c'est 4500h ou 4500H + X tours de compteur.
Mon 650 affiche 4500H.
D'après les photos, qu'elle qu'un peut me dire si c'est 4500h ou 4500H + X tours de compteur.
- 11 avr. 2025 15:49
- Forum : Les présentations
- Sujet : Someca 670
- Réponses : 10
- Vues : 10089
Re: Someca 670
Remonté en provisoire
- 11 avr. 2025 15:41
- Forum : Les présentations
- Sujet : Someca 670
- Réponses : 10
- Vues : 10089
Re: Someca 670
J'ai surtout ouvert pour nettoyé le carter a fond, car mayonnaise et j'avais les deux vitesses de droite donc a gauche sur la photo de bloqué
- 11 avr. 2025 11:08
- Forum : Les présentations
- Sujet : Someca 670
- Réponses : 10
- Vues : 10089
Re: Someca 670
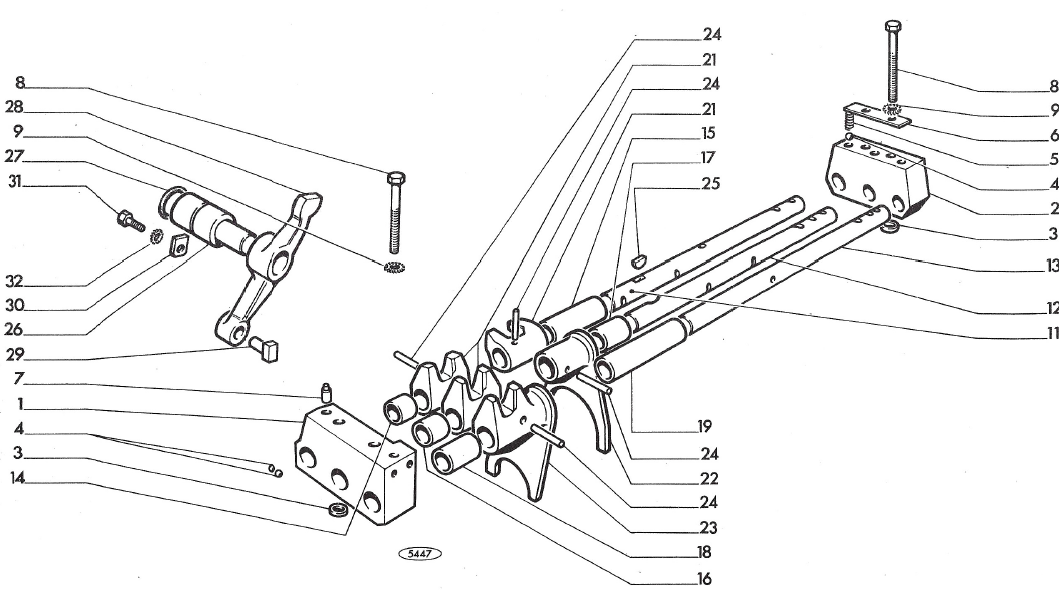
Donc le N°8 sur cette coupe :
- 11 avr. 2025 09:23
- Forum : Les présentations
- Sujet : Someca 670
- Réponses : 10
- Vues : 10089
Re: Someca 670
Merci de ton conseil mais de quel écrou tu me parle ?
Peux-tu me dire le N°
Peux-tu me dire le N°
- 10 avr. 2025 14:17
- Forum : L'atelier
- Sujet : Someca 670
- Réponses : 2
- Vues : 7382
Re: Someca 670
Bonjour,
Merci de t'on retour, j'ai bien la référence mais impossible de trouver sur internet, voila pourquoi je demande les dimensions afin de retrouver un ressort compatible.
Bonne journée
Merci de t'on retour, j'ai bien la référence mais impossible de trouver sur internet, voila pourquoi je demande les dimensions afin de retrouver un ressort compatible.
Bonne journée
- 10 avr. 2025 14:11
- Forum : Les présentations
- Sujet : Someca 670
- Réponses : 10
- Vues : 10089
Re: Someca 670
J'ai déjà commencé à tout vidanger car l'huile (Enfin la mayonnaise) à 15ans.
Et démontage de la boite de vitesse car deux vitesses bloqué, juste gripper avec le temps.
Et démontage de la boite de vitesse car deux vitesses bloqué, juste gripper avec le temps.
- 10 avr. 2025 10:36
- Forum : L'atelier
- Sujet : Someca 670
- Réponses : 2
- Vues : 7382
Someca 670
Bonjour,
Je suis à la recherche du ressort de rappel de la pédale d'accélérateur N°8, quelqu'un aurait-il les dimensions ou une référence afin de le commander ?
Merci Bonne Journée
Je suis à la recherche du ressort de rappel de la pédale d'accélérateur N°8, quelqu'un aurait-il les dimensions ou une référence afin de le commander ?
Merci Bonne Journée